+44 (0)115 964 1305

 Email us

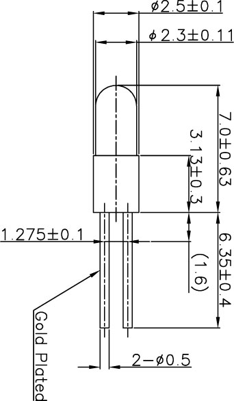
T-3/4 Bi-PIN Lamp 2416

OL-2416BP

Quick Overview

Specifications
Design Voltage [V]5
Design Current [A]0.04
MSCd avg0.025
Filament ShapeC-2R
Life [h]50000