+44 (0)115 964 1305

 Email us

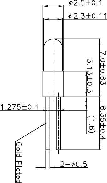
T-3/4 Bi-PIN Lamp 2427

OL-2427BP

Quick Overview

Specifications
Design Voltage [V]5
Design Current [A]0.03
MSCd avg0.03
Filament ShapeC-2R
Life [h]16000