+44 (0)115 964 1305

 Email us

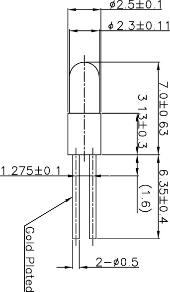
T-3/4 Bi-PIN Lamp 8828

OL-8828BP

Quick Overview

Specifications
Design Voltage [V]5
Design Current [A]0.075
MSCd avg0.09
Filament ShapeC-2R
Life [h]40000