+44 (0)115 964 1305

 Email us

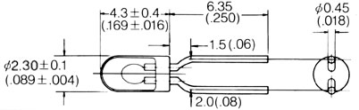
T-3/4 IBPS Lamp Type G 2404

OL-2404IBPS/G

Quick Overview

Specifications
Design Voltage [V]5
Design Current [A]0.02
MSCd avg0.02
Filament ShapeCC-6
Life [h]20000