+44 (0)115 964 1305

 Email us

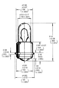
T-1 sub-midget flanged 1098

OL-1098

Quick Overview

Specifications
Design Voltage [V]10
Design Current [A]0.027
MSCd avg0.09
Filament ShapeC-2F
Life [h]10000