+44 (0)115 964 1305

 Email us

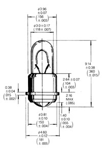
T-1 sub-midget flanged 3008

OL-3008

Quick Overview

Specifications
Design Voltage [V]3
Design Current [A]0.06
MSCd avg0.03
Filament ShapeC-2R
Life [h]50000