+44 (0)115 964 1305

 Email us

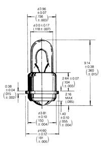
T-1 sub-midget flanged 3012

OL-3012

Quick Overview

Specifications
Design Voltage [V]3
Design Current [A]0.12
MSCd avg0.15
Filament ShapeC-2R
Life [h]3000