+44 (0)115 964 1305

 Email us

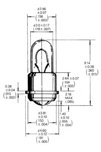
T-1 sub-midget flanged 3042

OL-3042

Quick Overview

Specifications
Design Voltage [V]6
Design Current [A]0.06
MSCd avg0.13
Filament ShapeC-2R
Life [h]3000