+44 (0)115 964 1305

 Email us

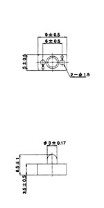
T-1 GT Grommet Lamp 3323

OL-3323GT

Quick Overview

Specifications
Design Voltage [V]14
Design Current [A]0.04
MSCd avg0.12
Filament Shape
Life [h]