+44 (0)115 964 1305

 Email us

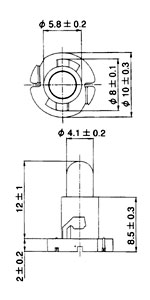
Neowedge T-1 1/4 NWA8.5 4839NWA8.5

OL-4389NWA8.5

Quick Overview

Specifications
Design Voltage [V]14
Design Current [A]0.115
MSCd avg0.6
Filament Shape
Life [h]