+44 (0)115 964 1305

 Email us

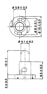
Neowedge T-1 1/4 NWA8.5 585NWA8.5

OL-585NWA8.5

Quick Overview

Specifications
Design Voltage [V]5
Design Current [A]0.06
MSCd avg0.05
Filament ShapeC-2R
Life [h]100000