+44 (0)115 964 1305

 Email us

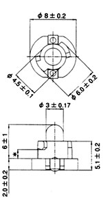
Neowedge T1 NW 685NW

OL-685NW

Quick Overview

Specifications
Design Voltage [V]5
Design Current [A]0.06
MSCd avg0.05
Filament ShapeC-2R
Life [h]100000