+44 (0)115 964 1305

 Email us

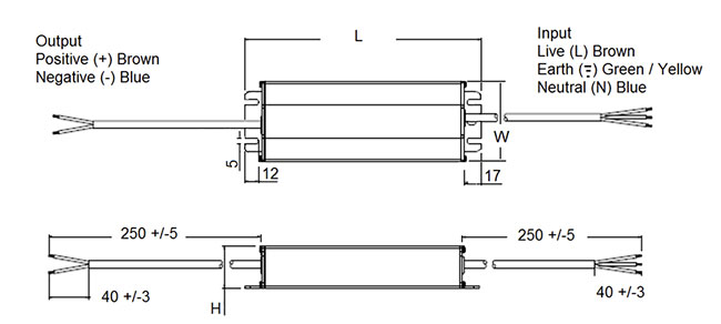
LED Driver Unit 200/12

PSU200/12/IP67/R

Quick Overview

Download Short Form PDF brochure
Download PDF Drivers brochure

Specifications
V DC12
W200
L x W x H295 x 59 x 36
IP67
Eff%88
SELV outputY
ClassI
Warranty5 years or 50,000 hours*
  • EN61347-2-13: particular safety requirements for electronic control gear for LED modules
  • Over-Current Protection
  • Short-Circuit Protection
  • Over-Voltage Protection
  • Over-Temperature Protection
  • SELV output
  • Dust and weather resistant (IP67/68)
  • 5 years or 50,000 hours warranty*